
Tarımsal İlaçlama Memeleri ve Parçaları
ÜRÜN ÖZELLİKLERİ
• İKİLİ
• Plastik damla kesicili tarla ilaçlama memeleri
• EPDM ya da Viton membran
• Oring dahildir
• Maksimum çalışma basıncı 20 bar
DOWNLOAD
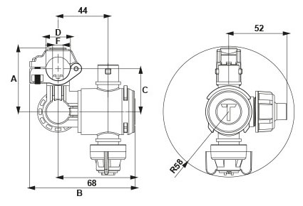
| EPDM | VITON® | F | D | A | B | C |
| 0710201110BE | 0710201110BV | 10 mm | Ø 19 mm | 56,5 | 93 | 38 |
| 0710201207BE | 0710201207BV | 7 mm | Ø 20 mm | 56,5 | 93 | 38 |
| 0710201210BE | 0710201210BV | 10 mm | Ø 20 mm | 56,5 | 93 | 38 |
| 0710201507BE | 0710201507BV | 7 mm | Ø ½” | 56,5 | 93 | 38 |
| 0710201510BE | 0710201510BV | 10 mm | Ø ½” | 56,5 | 93 | 38 |
| 0710201310BE | 0710201310BV | 10 mm | Ø 22 mm | 56,5 | 93 | 38 |
| 0710201410BE | 0710201410BV | 10 mm | Ø 25 mm | 68 | 96 | 44,5 |
| 0710201610BE | 0710201610BV | 10 mm | Ø ¾” | 68 | 96 | 44,5 |
| 0710201710BE | 0710201710BV | 10 mm | Ø 1″ | 72 | 100 | 45 |
YEDEK PARÇALAR
| KOD | |||
![]() |
*Civata-Somun M5x25 |
B10003S | Galvaniz |
| B10003SS | Krom | ||
* Civata – somun ayrıca sipariş edilmelidir










